La aplicación exclusiva ASAP (en línea) de Leviton, basada en señalar y hacer clic le permite diseñar, especificar e introducir órdenes para sus proyectos de control de iluminación de manera rápida y sencilla. Cree un paquete de presentación completo en pocos minutos y disfrute de un tiempo de respuesta excepcional de siete días, de manera que podrá entregarle un paquete completo de controles de iluminación a su cliente en menos tiempo.
Diseñador ASAP
Solicitud de diagramación <br>de sensores de movimiento
Aproveche los servicios de distribución de sensores en línea exclusivos de Leviton. Nuestro equipo de expertos diseña distribuciones de sensores sin cargo para usted, directamente en sus dibujos CAD y con una lista de equipos. El tiempo de devolución promedio es de 3 días hábiles*, el mejor de la industria.
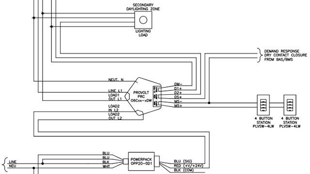
Dibujos
Acceda a guías de Leviton, objetos BIM y herramientas adicionales para especificaciones optimizadas e inspiración para proyectos.
Recursos sobre manejo de energía
Leviton elimina las conjeturas sobre el cumplimiento del código con nuestros portales del IECC, el ASHRAE 90.1 y el Título 24.
Título 20/24
La eficiencia energética es más que un sistema único. Requiere un enfoque de construcción integral. El objetivo básico de los estándares de energía del Título 24 es la reducción del uso de energía.
Fabricado en EE. UU. | USMCA
Descargue nuestra lista de productos que cumplen con la USMCA.
